T type air quick connector plastic PE one touch pneumatic fitting
Order code
Technical parameter
|
Model |
PE-4 |
PE-6 |
PE-8 |
PE-10 |
PE-12 |
PE-14 |
PE-16 |
|
|
Fluid |
Air |
|||||||
|
Max. Pressure |
1.32Mpa(13.5kgf/cm2) |
|||||||
|
Pressure range |
Normal pressure |
0~0.9Mpa(0~9.2kgf/cm2) |
||||||
|
Low pressure |
-99.99~0Mpa(-750~0mmHg) |
|||||||
|
Temperature |
0℃~60℃ |
|||||||
|
Applicable tube |
PU/Nylon tube |
|||||||
|
Tube outer size |
4mm,6mm ,8mm,10mm,12mm,14mm,16mm |
|||||||
|
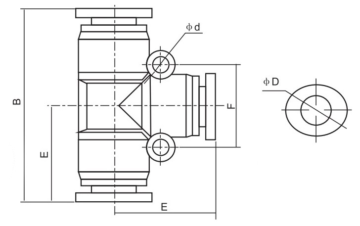
Metric Type |
φD |
B |
E |
F |
φd |
|
PE-4 |
4 |
36.6 |
18.3 |
/ |
/ |
|
PE-6 |
6 |
41 |
20.5 |
16 |
3.5 |
|
PE-8 |
8 |
46 |
23 |
20 |
4.5 |
|
PE-10 |
10 |
56.6 |
28.3 |
24 |
4.5 |
|
PE-12 |
12 |
58.6 |
29.3 |
27.7 |
5 |
|
PE-14 |
14 |
60.8 |
30.4 |
25.8 |
4 |
|
PE-16 |
16 |
69 |
34.5 |
33 |
4 |
Feature
.PE series T type air quick connector Designed for Polyurethane or Nylon tubing.
. Simple installation pneumatic push in connector.
. After installation, the direction of the tube can be changed freely.
. Elliptical release ring help to connect tube easily by manual, no special tools required.
. Outside (and Inside where applicable) hexagonal wrench tightening.



