PZA Pneumatic 4 way Push To Connect plastic Tube air Fittings
Order code
Technical parameter
Model
PZA-4
PZA-6
PZA-8
PZA-10
PZA-12
Fluid
Air
Max. Pressure
1.32Mpa(13.5kgf/cm2)
Pressure range
Normal pressure
0~0.9Mpa(0~9.2kgf/cm2)
Low pressure
-99.99~0Mpa(-750~0mmHg)
Temperature
0℃~60℃
Applicable tube
PU/Nylon tube
Tube outer size
4mm,6mm ,8mm,10mm,12mm
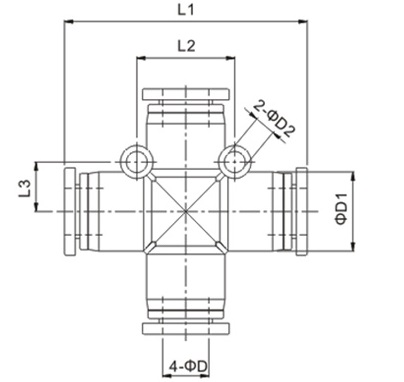
Dimension
Metric Type
φD
φD1
φD2
L1
L2
L3
PZA4
4
11.5
3.2
38
14
7
PZA6
6
13.5
3.2
39
16
8
PZA8
8
15
4.2
45
18
9.5
PZA10
10
19
4.2
57
24
12
PZA12
12
21.5
4.2
59
26
13

Feature
.PZA series 4 port plastic quick connect fittings is designed for Polyurethane or Nylon tubing.
.Fast installation,simple and smart,space-saving.
.In a variety of models,suitable for any tubes
.Even after installation,he direction of he tube can be changed free
.Elliptical release ring design easy to dismantle
.Once ne inserted,the tube would not easily loose
.All the taper pipe threads are pre-costed sealat,perfect sealing performance
.With the hex type,convenient to installation even the narrow place



